TAG – http://www.op316.com/tubes/tips/b410.htm
Earth Circuit Part 1Return and go: When I explain a circuit, I often say “drop it to ground”. Where does a signal or current “dropped to ground” go? Will it go somewhere while being dropped and disappear? Not at all. Signals and currents dropped to ground always return to where they should. Even when dropped to earth, it never forgets where it belongs. Far from forgetting, they try to flow wherever they want to go. It can be said that various currents flow here and there behind the earth symbol on the circuit diagram. Signals and currents always have a way to go and come back, and it’s not just a matter of the return path just passing through the ground.Earth is difficult:It is often said. This is because if you don’t think carefully about the way forward and the way back home, you drop it to the ground, so an unexpected current flows in an unexpected place, and a signal appears from a strange place. In a circuit diagram, once you have drawn the ground symbol, you don’t have to worry about anything else, but when it comes to actual wiring, it doesn’t work that way. You have to wire the ground properly. At that time, if you think about going and coming back and wire the ground so that strange current does not flow in strange places, there will be no problem. It’s not that grounding is difficult, it’s just that we don’t know exactly where signals and currents go and return.Paths not shown on the schematic:Suppose we have a one-stage amplifier circuit as shown in the figure below. We usually have the habit of thinking that the signal input to the grid (G) is amplified by a vacuum tube and appears on the plate (P). (Figure 1) Figure 1 ![]() Considering the earth, this is not enough at all. If you draw it properly, it will look like the following. (Figure 2) Figure 2 ![]() The signal given to the input is(input)-(a)-(Rg)-(d)-(E1)flows along the route of Then, the voltage generated across the resistor Rg is applied between (b) and (f), but due to the existence of Ck, (f) and (c) are at the same AC potential, so the input signal voltage is is between (b)-(c), that is, between the grid and the cathode of the vacuum tube.As you know, when an input voltage is applied between (b) and (c), that is, between GK of a vacuum tube, the plate current of the vacuum tube changes according to the change in the input voltage. The DC component of the current flowing through the plate is(V+)-(h)-(Rp)-(i)-P(triode)K-(c)-(Rk)-(e)-(BE)and flows. That’s it when there is no input signal.Consider DC and AC separatelyA capacitor in a circuit blocks direct current but allows alternating current to pass freely. When we think of the circuit as DC, we think of it as “not connected” where the capacitor is. This is called release removal . When we think of the circuit as alternating current, we think of it as having a “short” where the capacitor is. This is called short circuit removal .Where there are transformers and inductors, when considering the circuit as DC, it is mostly short-circuited or only the DC resistance (DCR) of the component is considered, and when the circuit is considered as AC, it is considered as the impedance of the component.Only after this separation can you understand the audio circuit. If you don’t understand this, you can’t even draw a load line, and you won’t be able to understand all-stage differential amplifiers. This is a very important concept, so please take it seriously.alternating current behaviorWhen an AC signal is input between GK, this AC component is also the same as the plate current (V+)-(h)-(Rp)-(i)-P(triode)K-(c)-(Rk) -(e)-(BE) , but since Rk is AC-shorted with Ck, it tries to flow through Ck instead of Rk, and between (h)-(g) is Cc. Since it is shorted, it does not flow to the power supply direction.(h)-(j)-(Cc)-(g)-(f)and take a shortcut. Therefore, the AC component is(i)-(Rp)-(h)-(j)-(Cc)-(g)-(f)-(Ck)-(c)forms a loop.Now, since the amplified output current generates a voltage across Rp, the loop that extracts the AC voltage generated here can be easily understood by considering the triode in the figure as the generator and the subsequent circuit as the load. prize.(i)-(Co)-(output)-(E2)-(g)-(f)-(Ck)-(c)is the output signal loop. And to summarize this: ・Input signal loop: (input)-(a)-(Rg)-(d)-(E1) ・DC component loop of plate current: (V+)-(h)-(Rp)-(i)- P(triode) K-(c)-(Rk)-(e)-(BE) ・Plate current AC component loop: (i)-(Rp)-(h)-(j)-(Cc )-(g)-(f)-(Ck)-(c) Output signal loop: (i)-(Co)-(output)-(E2)-(g)-(f)-(Ck) -(c)becomes. The problem is that these four loops must be wired in such a way that they do not interfere with each other as much as possible. . So, let’s rewrite this circuit diagram a little more. (Fig.3) Figure 3 ![]() Now, have you noticed that in such a circuit no current flows between (d)-(e) and between (e)-(f)? Yes, this is what Earth really looks like. “Earth does not carry current”. It can also be said that no current should flow through the ground. It may be said that the original role of grounding is to create a reference potential.Bypass capacitor:What is the bypass capacitor “Cc” inserted between the power supply and ground for? To remove the ripple contained in the power supply? No, it’s not. This bypass capacitor “Cc” connects the loop of the AC component of the plate current in Figure 3: (i)-(Rp)-(h)-(j)-(Cc)-(f)-(Ck)-(c) It’s there for. Most of the AC signal current that flows through the amplification circuit loop flows through this decap. Without this, the amplifier circuit would not work.Considering this, it is more accurate to think of the bypass capacitor as connecting the upper end of the plate load resistance (Rp) and the cathode (K) rather than dropping it from the power supply V+ to the ground. If the capacity of the bypass capacitor (Cc) is small, the low-frequency characteristics will deteriorate, and if the quality is poor, the sound will be affected. After all, a lot of signal current flows through the bypass capacitor (Cc).When wiring, it is good practice to connect from the point near the plate load resistor (Rp) to the point (f) on the ground side of (Ck) with the shortest distance. It is out of the question to detour to block capacitors near the power supply circuit.Some people increase the capacity of the bypass capacitor when they hear hum from the amplifier, but this is almost always ineffective. In the first place, the ripple component contained in the power supply must be sufficiently removed upstream of the power supply circuit. And most of the causes of hum are not because there is too much power ripple, but because the power ripple flows where it should not flow. More on this later.Connection with power supply:Power must be supplied to operate the amplifier circuit. Where should I connect the positive side of the power supply and the ground side of the power supply? The answer is in Figure 3. It is good to connect from the plus side plate load resistance (Rp) of the power supply via Rb. The ground side of the power supply is either point (e) or point (f) near the cathode resistance (Rk).And the power supplied here must be sufficiently ripple-free. The reason is that if there is still a lot of ripple left here, only the ripple is (V+)-(h)-(j)-(Cc)-(f)-(e)-(BE)Because it goes through a strange route. The condition is not good because it overlaps the path of the AC signal current. If the ripple current is large, a potential difference will occur between (e) and (f), causing hum from the output of the amplifier. If the bypass capacitor (Cc) is connected near point (d) instead of point (f), the potential difference generated here will be amplified by the grid and a loud hum will appear from the output side, causing a panic situation. will be In such cases, instead of blindly enlarging the bypass capacitor, we must thoroughly examine the signal loop again and review the wiring. Earth Circuit Part 2 For stereo: Let’s take another look at Figure 3 in “Earth Circuit 1”. Figure 3 ![]() Figure 3 shows a monaural configuration, but what should we do with a stereo configuration amplifier circuit? Should the left and right grounds be separate or should the left and right be combined into one? The first problem you will face is how to ground the input circuit. See Figure 5 below.Figure 4 ![]() In this way, let’s assume that the circuit in Fig. 3 is configured in stereo and connected to the source device in the previous stage with an RCA pin cable (shielded wire) as the input stage of the amplifier. The front stage source equipment has two output terminals, L-CH and R-CH, so if you connect two shielded wires here, the ground side of the left and right shielded wires will be divided into two paths and the following It will be connected to the input of the amplifier. There are two routes: (a)-(b)-(c) and (a)-(d)-(c) .I’m having a really bad experience here. That is, the ground that was originally one in the previous stage is split into two due to the shield wire. In “Earth circuit 1”, I wrote that the signal has a going and a returning. Now, is the return route of the L-CH signal the (c)-(b)-(a) route? That’s not all. The return of the L-CH signal also passes through the (c)-(d)-(a) route. Similarly, the R-CH signal returns through both routes. It’s kind of weird.This problem can be said to be the fate of unbalanced circuits. As for grounding, with the RCA pin cords you normally use, it is not possible to have only L-CH for L-CH and only R-CH for R-CH. To solve this problem, it is absolutely impossible to eliminate mixing of left and right CH grounds unless the circuit is balanced and the signal path (round trip) and ground are separated. In an unbalanced circuit, there is no choice but to share one ground for left and right. Therefore, the ground (c) point of the input part of the amplifier in Fig. 3 must be put together in only one place. (However, if this is a monaural amplifier, the story is completely different.)Also, the earth line goes around in a loop like (a)-(b)-(c)-(d ) , and if the magnetic flux of a power transformer, etc. It turns into a coil and becomes a generator, and the ground line itself generates hum. The size of the hum generated here is proportional to the area of the loop. So the two cables should be as close as possible. Pick up the ham with a “boom” just by releasing it and making it a wakka. The iron rule is to not create a wacker on the ground line, and if it is inevitable, make the wacker as small as possible.Let’s get back to the topic.What should be done in a stereo amplifier circuit? However, in an unbalanced circuit, there is no point in dividing the ground between the left and right channels, and if it is divided, a contradiction will arise. The correct answer is to make the left and right amplifiers common in a stereo configuration amplifier circuit. Mounting that divides the board into left and right in the amplifier makes grounding difficult. At this time, since the resistance component of the wire distributed in the ground line becomes a problem, we have no choice but to use a thicker wire. However, in a vacuum tube circuit with high circuit impedance, you don’t have to worry about it because you can get enough performance even if the wire is not ridiculously thick.Power supply return circuit:Next, let’s think about the route of the current going and returning for the power supply. See Figure 6 below. Figure 5 The AC output from the power transformer passes through the rectifier circuit (regardless of the rectification method) and enters the first ripple filter of the capacitor (C1). A very large ripple current ir1 flows through this capacitor (C1). The larger the capacitance of C1, the larger the ripple current. This ripple current ir1 is(a)-(b)-(C1)-(e)-(f)form a loop of Next, we enter the ripple filter of resistor (Rf) and capacitor (C2). Since the ripple that could not be removed by (C1) is bypassed here, ripple current ir2 also flows through this capacitor (C2), although it is considerably reduced. This ripple current ir2 is(b)-(c)-(C2)-(d)-(e)form a loop ofNow, how should we wire this two-stage ripple filter circuit to work most efficiently? Both capacitors (C1) and (C2) act as filters by short-circuiting the ripple current. And since there is a small amount of resistance (r1 to r7) in the wire material of the wiring, the ripple current flowing there causes a voltage, although it is very small.Figure 6 ![]() The resistance components that exist in this wiring material and the lead wires of parts cause various problems. Let’s focus on the area around C1 in this power supply circuit (Figure 7).Figure 7 ![]() There are resistance components r1 to r4 and C1 on the ripple current loop, and ripple voltages are generated between points A and B, between points B and C, between points C and D, and between points D and E. increase. As the capacitance of C1 increases, the ripple voltage between points B and C decreases, but the ripple voltage between other points increases. The reason is that if the capacitance of C1 increases, the ripple current will increase because the reactance of C1 (something like a resistance component) will decrease. Therefore, the ripple filter by C1 works most effectively only between points B and C, and points A, B, C, D, and E do not benefit from it.The influence of the resistance component distributed in the wire causes a big problem just by how to take the ground. This is explained using Figure 8. Figure 8 ![]() The circuit in Figure 8 drops the chassis ground at a point close to the power transformer of the rectifier circuit. And the ground side of the wiring that connects the power supply circuit and the amplifier section is taken from the chassis. What will happen to the ripple voltage produced by r4 in this case? Since the ground point near the power transformer becomes the reference of the power supply, the ripple voltage generated by r4 will be directly carried on the power supply output. You can think of it as coming out through the route of the dotted line in the figure. At this time, there is no effect even if the capacity of C1 is increased even if hum occurs. Instead of being ineffective, the hum will increase.If you look at it this way, you’ll understand how bad it is to ground the entire amplifier at the capacitor in the power supply circuit. This method is a remnant of the radio days when only one block controller was required, and this is the reason why old radios and amplifiers produced a lot of hum. This way of thinking does not apply to today’s audio amplifiers, which are required to be quiet.So what should we do? Figure 9 Wire as shown in Figure 9. For C1 and C2, the leads should not be long and should be taken out near the capacitor body. Although this extraction method is essential for high-current, low-impedance semiconductor amplifiers, it is not without effect for low-current, high-impedance vacuum tube amplifiers, but the impact is very small. Rather important is how to take the ground point. A line with ripples remaining and a ripple current flowing looks like a ground, but cannot be treated as a ground. The ground side of C2, where the ripple current is negligibly small, or further downstream, can finally be safely used as the ground point.I always follow this when mounting the amplifiers I make, so please look at the circuit diagrams and actual wiring with that in mind.Earth Circuit Part 3For a two-stage main amplifier:What if the amplifier circuit has two stages (or more)? Therefore, let’s extend Figure 3 in the previous chapter to a two-stage single amplifier. (Fig.9)Figure 9 ![]() Each signal loop and DC current loop are as follows: (1) Input signal loop: (input)-(a)-(Rg1)-(d)-(E1) (2) First-stage plate current DC component loop: (B+)-(Rb1)-(Rp )-(triode)-(Rk1)-(BE?) (3) Loop of AC component of plate current in first stage: (i)-(h)-(j)-(f)-(c) (4 ) First-stage output and final-stage input loop: (i)-(k)-(m)-(f) (5) Final-stage plate current DC component loop: (B+)-(Rb2)-(OPT) -(Triode)-(Rk2)-(BE?) (6) AC component loop of final stage plate current: (p)-(OPT)-(q)-(o)-(l) (7 ) Final output signal loop: (r)-(SP)-(s) The most vexing problem is how to distinguish between (2) and (5). The B+ side is supplied with power independently for each stage, so it’s fine for now, but the question is where to take the return path to the power supply circuit on the BE side. The return point for the first stage is point (e), and the return point for the final stage is point (n). However, connecting separate BEs to two locations creates a triangular relationship, creating a ground loop here.So you have to make a compromise here. Since the current flowing through the final stage is generally larger, we do not want the current that flows from the cathode (l) of the final stage tube through point (n) to the BE to flow on the ground line. So, let’s take the point on the way back to the power source from the (n) point. On the other hand, I ignore the fact that the current from the cathode (cl) of the first tube to the BE through the point (e) flows on the ground line. At that time, the distance between points (e) and (n) is made as short as possible to make the potential difference between these two points negligible.It is necessary to pay attention to the treatment of (3) and (6). Since this signal loop is formed independently at each stage, the path of the bypass capacitor connecting the power supply and the ground should be as short as possible. Wiring must be done so that AC signals do not flow inside.Among ground lines, between (d)-(e), (e)-(f), (m)-(n), (n)-(o), (o)-(s) No current flows through any of them, and they play the original role of the earth just to equalize the potential. It will be. However, as long as decaps (Cc1) and (Cc2) are wired correctly, no problems will occur.If you apply negative feedback:How should we think about applying negative feedback from the secondary side of the OPT to the first-stage cathode? The answer is simple and clear. As shown in Figure 10 below.Fig. 10 ![]() Negative feedback is also a kind of signal loop (see (8) below), so it should be independent so that the negative feedback loop does not flow through the ground and does not overlap with other loops. “Ground the negative feedback on the side where the feedback returns” is the basics of handling negative feedback. Therefore, the ground (y) on the output side must be taken at the cathode side (x). Ideally, the two lines (v)-(w) and (y)-(x) should be paired and twisted. If noise is allowed to enter through this loop, it will be impossible to get rid of it.(8) Negative feedback loop: (v)-(RNF)-(w)-(Rk0)-(x)-(y)When using a DC amplifier that uses a semiconductor or a vacuum tube amplifier with the secondary winding of the OPT for cathode feedback at the final stage, it is difficult to make such ground wiring, so considerable care must be taken. However, the basic principle of “grounding the negative feedback on the side where the feedback returns” will not change. Earth Circuit Part 4summary:The figure on the right is an overall view of the ground line using a stereo power amplifier as an example. The black line is the ground line, the red line is the power supply line, and the blue line is the signal line.Consider the grounding of the power supply and the amplifier separately. A large ripple current flows near the rectifier circuit of the power supply, so even if it is connected to the ground, it cannot be treated as ground. Connect to the amplifier section as the ground of the power supply section at the point where the ripple is sufficiently removed for practical use through multiple stages of ripple filters. As long as you follow this rule, even if the ground wiring of the amp section is a little random, the hum caused by the ripple of the power supply will not occur.As for the ground related to the signal line, in a stereo amplifier, the left and right grounds of the amplifier are not divided, but are wired in a common system. In an unbalanced circuit (all ordinary amplifiers are unbalanced circuits), even if the ground is divided into left and right, it does not make sense, and crosstalk between the left and right channels worsens and causes noise.In the amplifier section, prepare a common grounding bus bar for the left and right, and connect various parts of the amplifier section to the ground to facilitate mounting. The earth busbar method is effective only for this part. If you want to strictly consider the order of connecting to the ground bus, please refer to ” Earth circuit 1 “, ” Earth circuit 2 “, and ” Earth circuit 3 “.The left and right input terminals are placed close to each other, and the ground is common to the left and right. The same is true when using volumes. There is no point in dividing these into left and right, and it is rather harmful to divide them. I intended to separate the ground for the left and right, but the actual signal current is mixed between the left and right and flows through the two grounds.In the figure on the right, three candidates are written as points to connect the ground line and the chassis. The first is at the input terminal, the second is at the volume, and the third is somewhere in the ground line of the amplifier section. In this example, it doesn’t matter which of the three chassis you connect to and the result will be the same.If you follow these rules, the hum and noise caused by grounding will not occur, so you can easily create an amplifier with a residual hum of 0.1 mV or less.From where it drops onto the chassis:As explained in “Earth circuit 2”, the ground of the amplifier part should be shared by one system ground for left and right. Then, in the power supply circuit, the point where the ripple is well removed, which is not affected by the ripple current, is used as the ground point of the power supply and connected to the amplifier. Finally, decide where to drop the ground line to the chassis. The conditions for dropping to the chassis are(1) Think of the chassis as a component, not a ground. (2) Chassis ground should be taken at only one place. (3) A place where there is no ripple current of the power supply… That is, the ground line of the amplifier section, not the power supply section, is connected to the chassis.Think of the chassis as a piece, not a ground (important). The chassis is normally connected to the ground line, but the chassis itself is not grounded. This is because the chassis has a slightly different electric potential depending on the location, and the induced current of noise flows irregularly in the chassis. Since the chassis is a single piece of metal, you might think that it’s the same everywhere, but it’s not.By grounding the chassis, the shielding effect protects the circuits inside the amplifier from external induced noise. For that reason, the chassis and the ground line are connected at one point to make it the same potential as the ground. If you connect more than 2 points, you will create an “earth loop”, which will result in a noise generating circuit rather than a shield.It doesn’t matter where you connect the ground line to the chassis, but in the case of an audio amplifier, it doesn’t matter where it is, as long as it is “a place where there is no ripple current of the power supply”. Specific examples include “near the input terminal”, “somewhere on the ground line common to the left and right of the amplifier”, and “near the output terminal”, but the area near the input terminal is safe.Pros and cons of one-point grounding:There is a “single-point ground” in the ground mounting method that has been said for a long time. In conclusion, I think that one-point grounding is not necessary in audio circuits, and rather harmful.In an electronic circuit, a wide variety of currents flow here and there on the ground line. These include direct current supplied from the power supply, ripple remaining in the power supply, input signal current, various currents in the amplifier circuit, and output signal current. Each of these currents has a different source (=where it returns) and cannot be discussed uniformly. A good grounding implementation considers and organizes these things, and arranges the wires in a way that prevents them from interfering with each other and causing problems. And these amplifiers can achieve very good low noise performance, left and right channel crosstalk performance and high stability.One-point grounding is based on the concept of concentrating all grounding on one point without thinking about these things at all. As you can see by actually doing it, a perfect one-point ground is physically impossible. If I have to divide it into two points, how should I divide it? In order to divide it into two points, we have to think about the various currents mentioned above. Performance cannot be ensured by appropriately dividing it into two. There is also a way of thinking similar to the one-point grounding that the ground is connected to “a very thick grounding busbar whose resistance component can be ignored”. Even if you connect the power supply, the amplifier circuit, and the input/output ground to the ground bus at random, you may be able to get a reasonable performance.It’s up to you which way you want to go, but after reading this article, I hope that you will not give up on your thoughts and use your brain as much as possible to devise an implementation. This is also a shortcut to good sound.If you still get ham:As long as you don’t make a mistake with the ground line, a main amplifier with a residual hum of 0.1mV is not a dream. However, if hum still occurs, it could be that somewhere in the faint signal path crosses the magnetic flux leaking from the power transformer, or that the vacuum tube itself is picking up heater hum, or that the ripple removal is not designed in the first place. We have to suspect reasons other than the ground line , such as whether it was not enough . |
Earth Circuit Part 1



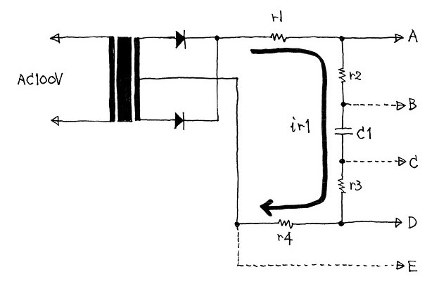
The AC output from the power transformer passes through the rectifier circuit (regardless of the rectification method) and enters the first ripple filter of the capacitor (C1). A very large ripple current ir1 flows through this capacitor (C1). The larger the capacitance of C1, the larger the ripple current. This ripple current ir1 is(a)-(b)-(C1)-(e)-(f)form a loop of Next, we enter the ripple filter of resistor (Rf) and capacitor (C2). Since the ripple that could not be removed by (C1) is bypassed here, ripple current ir2 also flows through this capacitor (C2), although it is considerably reduced. This ripple current ir2 is(b)-(c)-(C2)-(d)-(e)form a loop ofNow, how should we wire this two-stage ripple filter circuit to work most efficiently? Both capacitors (C1) and (C2) act as filters by short-circuiting the ripple current. And since there is a small amount of resistance (r1 to r7) in the wire material of the wiring, the ripple current flowing there causes a voltage, although it is very small.


Wire as shown in Figure 9. For C1 and C2, the leads should not be long and should be taken out near the capacitor body. Although this extraction method is essential for high-current, low-impedance semiconductor amplifiers, it is not without effect for low-current, high-impedance vacuum tube amplifiers, but the impact is very small. Rather important is how to take the ground point. A line with ripples remaining and a ripple current flowing looks like a ground, but cannot be treated as a ground. The ground side of C2, where the ripple current is negligibly small, or further downstream, can finally be safely used as the ground point.I always follow this when mounting the amplifiers I make, so please look at the circuit diagrams and actual wiring with that in mind.Earth Circuit Part 3For a two-stage main amplifier:What if the amplifier circuit has two stages (or more)? Therefore, let’s extend Figure 3 in the previous chapter to a two-stage single amplifier. (Fig.9)
